发布时间:2026-04-05编辑:无线充模块
你有没有想过,未来家里的智能设备,可能再也不需要寻找充电线了?
从智能门锁到温湿度传感器,从蓝牙耳机到助听器,无数微小的物联网设备正悄然融入我们的生活。它们功能强大,却往往被一个看似简单的问题困扰——如何优雅、便捷地获取电力。传统的充电接口不仅占用宝贵空间,更在频繁插拔中埋下故障隐患。而无线充电,尤其是针对低功耗场景的无线充电技术,正成为破局的关键。
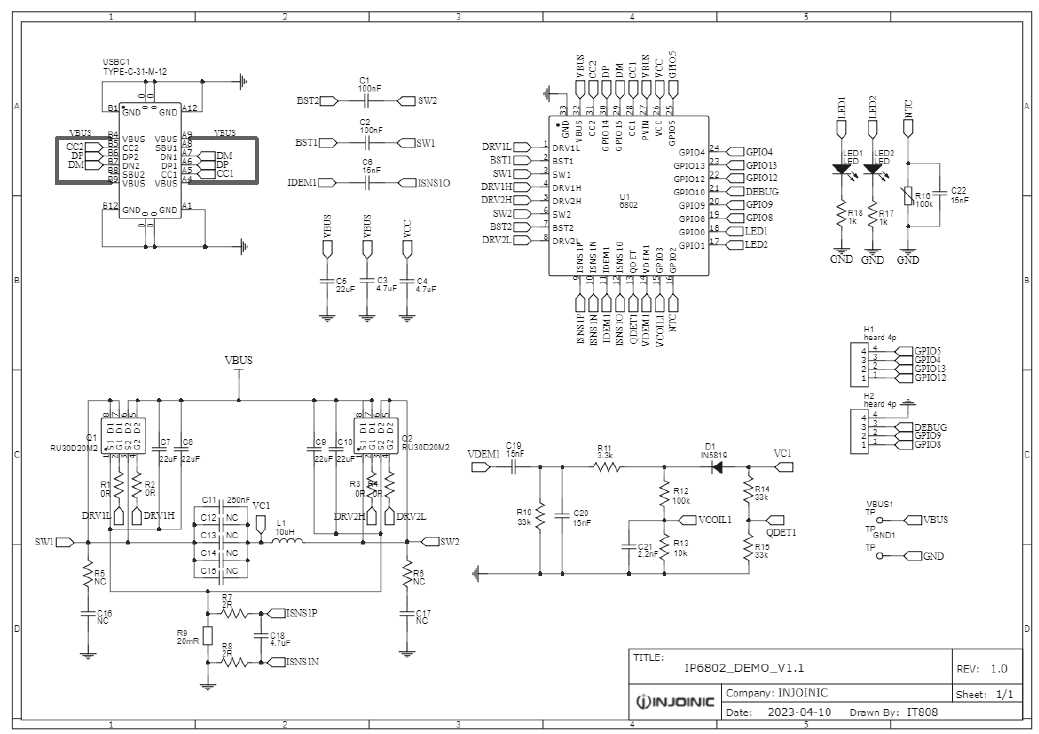
今天,我们聚焦一颗名为英集芯IP6802的无线充电发射端控制SOC芯片。它不仅仅是一颗支持5W至15W功率的芯片,更因其独特的电路图设计——特别是紧凑的QFN32封装与支持多线圈多设备充电的架构——为我们揭示了无线充电技术如何从“为手机服务”,转向成为驱动万物互联的“隐形能量网络”。
一、 从“指甲盖”到“大舞台”:紧凑封装如何释放设计自由
在物联网设备的设计中,每一平方毫米的PCB空间都弥足珍贵。IP6802采用的QFN32封装,其体积之小巧,堪称将一座功能完整的无线充电“指挥中心”浓缩于方寸之间。
这种紧凑性直接源于其高集成度的SOC设计。传统方案可能需要分立的MCU、H桥驱动器、ASK解调电路以及一系列外围元件,布局复杂,占用面积大。而IP6802将这些功能全部集成于单芯片之内,外部仅需四颗MOS管和少量被动元件即可搭建完整的Qi认证发射端。这就好比从需要组装多个模块的台式电脑,进化到了一台高度集成的笔记本电脑主板。
对于电路图设计师而言,这意味着极大的解放。他们可以将节省下来的PCB面积,用于布置更大容量的电池、更复杂的天线,或者直接让产品外壳变得更轻薄。想象一下,一个智能门锁的室内部分,可以无缝嵌入一个无线充电接收线圈,而IP6802方案的发射板则可以精巧地隐藏在门旁的装饰板或插座内,通过紧凑的封装实现完全“隐形”的供电部署。在助听器充电盒、智能手表底座等对体积极度敏感的场景中,这种设计优势被放大到了极致。
二、 从“一对一”到“一对多”:多设备充电如何构建能量枢纽
如果说紧凑封装解决了物联网设备“接收端”的集成难题,那么IP6802支持的多线圈与多设备同时充电能力,则重塑了“发射端”的能量供给模式。
单一的充电线圈,意味着一次只能为一台设备服务。这在手机充电场景中或许足够,但在物联网环境下却显得力不从心。一个家庭可能同时拥有多副TWS耳机、多个智能手表、数个传感器。IP6802的应用电路图可以设计为支持多线圈布局,这意味着一个充电底座或区域,能够同时为多个设备进行无线供电。
这不仅仅是数量的叠加,更是场景的革新。例如,在智能办公桌的设计中,可以在桌面特定区域下方集成由IP6802驱动的多线圈阵列。当员工将支持无线充电的鼠标、手机、耳机随意放置在该区域时,桌下的“能量场”便能自动识别并开始为它们充电。这种无感、并发的充电体验,彻底消除了“充电焦虑”,让设备始终在线。
从技术角度看,实现稳定可靠的多设备充电,离不开芯片强大的实时监测与动态功率管理(DPM)能力。IP6802需要同时处理多个通信链路(通过ASK解调),协调各线圈的功率分配,并确保在异物进入时(通过FOD异物检测功能)迅速切断相应区域的供电以保障安全。其集成的输入过压、过流、欠压及NTC过温保护机制,为这种复杂的多线程能量管理提供了坚实的安全底座。

三、 从“固定协议”到“智能协商”:快充兼容如何确保高效赋能
物联网设备种类繁多,其电源管理芯片和电池特性也各不相同。如何让无线充电发射端“智能”地适配它们?IP6802给出的答案是全面的协议兼容与灵活的功率适配。
这颗芯片支持Qi 1.3 BPP/EPP及最新的Qi 2.0 MPP标准认证。Qi 2.0引入的MPP(磁功率分布)标准能提升充电效率和对准自由度。更重要的是,IP6802集成了对PD3.0、QC3.0等多种有线快充协议的支持。这意味着,为IP6802供电的适配器可以基于这些协议提供更宽的电压(输入范围4V-20V),而芯片本身则像一个“智能管家”,根据连接设备的需求,在5W、7.5W、10W乃至15W之间自动匹配最佳功率。
例如,为一个支持Qi2.0 MPP的智能手表充电时,芯片会通过通信协商,采用效率更高的磁吸对齐优化模式进行5W充电;而当检测到一个支持EPP协议的手机时,则可能启动更高功率档位。这种动态适配能力,确保了从低功耗传感器到功耗相对较高的便携设备,都能在同一个发射板上获得最高效、最安全的充电体验。对于车载场景,这种兼容性尤为宝贵,它能确保无论使用车载USB口还是点烟器转换的PD快充头,IP6802方案都能稳定工作,并针对车辆启停时的电压波动进行优化。
四、 从“单一功能”到“场景融合”:电路图设计如何打开想象边界
当我们把IP6802的紧凑封装、多设备支持、智能协议兼容这些特性,放入具体的应用电路图设计中,会发现它正在催生一些超越传统充电的融合型场景。
隐蔽式环境供电: 在智能家居中,IP6802方案可以嵌入茶几、床头柜、书架隔板内部,为摆放其上的智能灯、蓝牙音箱、电子相框等设备进行无感供电,消除所有可见线缆,真正实现“整洁美学”。
标准化能源接口: 在工业或商业物联网中,大量传感器、数据采集器需要定期维护或更换电池。采用基于IP6802的标准化无线充电模块,可以让维护人员只需将设备放回指定底座即可完成充电,大幅降低维护复杂度与成本。
动态充电网络: 结合多线圈技术,未来甚至可以在机器人巡检路径、无人机停机坪等动态场景中,部署由多个IP6802发射节点组成的“充电地毯”,实现移动设备的自主能量补给。
这些场景的实现,都依赖于一颗高度集成、安全可靠、且具备出色扩展性的控制芯片。IP6802通过其精简而强大的电路图设计,提供了这样的核心基石。
结语
回顾无线充电技术的发展,它正从手机配件的角色,演进为物联网基础设施的重要组成部分。英集芯IP6802所代表的,正是这种演进方向上的一个关键技术节点。它的价值远不止于“让充电摆脱线缆”,更在于通过精巧的电路设计——将极致紧凑的封装、并发多设备的管理能力、广泛的协议兼容性融为一体——为万物互联的世界,铺设了一张灵活、智能、无处不在的无线能量网络。
下一次,当你把耳机放入充电盒,或看到智能门锁闪烁的指示灯时,或许可以想一想,在这简洁体验的背后,是否正有一颗像IP6802这样的“隐形冠军”,在安静而高效地指挥着能量的流动。未来,随着Qi2.0标准的普及和物联网设备的爆发,这类高度集成化的无线充电解决方案,必将更深地嵌入我们生活的每一个角落,无声地支撑起那个更加便捷、智能的互联时代。
对于无线充电在物联网中的更多可能性,你有什么样的想象?
下一篇:没有了
二维码扫一扫
诺芯盛备案号:粤ICP备2022029173号-3 热销型号:20w无线充电模块 车载无线充电模块 鼠标无线充电模块 充电宝无线充二合一模块
