发布时间:2025-02-26编辑:无线充模块浏览:0次
在现代生活中,触摸调光台灯因其便捷和智能化的特点,越来越受到人们的青睐。它不仅能通过简单的触摸操作实现灯光的调节,还能根据个人需求提供舒适的照明环境。那么,这种台灯是如何实现这些功能的呢?本文将深入探讨触摸调光台灯的电路原理及其设计要点。
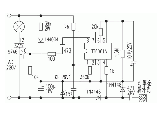
触摸调光台灯的核心在于其电路设计。整个系统主要由LED灯条、触摸按键、控制电路板以及台灯支架等组成。其中,LED灯条作为光源,具有功耗低、寿命长的优点,能够满足长时间使用的需要。而触摸按键则是用户与台灯交互的主要界面,通过触摸操作触发调光功能。
控制电路板是触摸调光台灯的关键部分,它集成了控制器、电源模块以及触摸传感器等元件。这些元件协同工作,实现了对LED灯条亮度的精确控制。特别值得一提的是,触摸传感器采用了先进的电容感应技术,能够检测到手指接近时产生的微小电容变化,从而感知用户的触摸动作。这一技术不仅灵敏度高,而且可以在有绝缘介质(如玻璃、塑料等)的情况下正常工作,极大地提高了使用的安全性和便利性。

在电路原理方面,触摸调光台灯通常采用脉宽调制(PWM)的方式来调节LED灯条的亮度。具体来说,控制器会根据触摸按键的操作指令,调整输出到LED灯条的电流占空比,从而实现亮度的连续变化。这种调光方式既简单又高效,能够为用户提供平滑且细腻的光线变化体验。
除了硬件设计外,软件实现也是触摸调光台灯不可或缺的一部分。通过编写专门的控制程序,开发者可以根据不同的应用场景和用户需求,设置多种灯光模式供用户选择。例如,可以设置阅读模式、休息模式等不同场景下的光线亮度和颜色温度,以满足用户在不同情境下的使用需求。
软件实现的另一个重要方面是用户界面的设计。一个直观、易用的用户界面能够极大地提升用户体验。通常,触摸调光台灯的用户界面会采用图形化设计,实时显示当前的亮度水平,并允许用户通过简单的触摸操作进行调整。这种设计方式不仅美观大方,而且操作简单方便,即使是初次使用的用户也能快速上手。
在实际应用中,触摸调光台灯还具有良好的抗干扰能力。由于采用了先进的电容感应技术和稳定的电路设计,它能够在复杂的电磁环境中稳定工作,不受外界干扰的影响。这一点对于提高产品的可靠性和使用寿命具有重要意义。
触摸调光台灯以其独特的电路设计和智能化的软件实现,为用户提供了一种便捷、舒适的照明解决方案。随着技术的不断进步和应用范围的不断扩大,相信触摸调光台灯将会在未来的市场中占据更加重要的位置。
二维码扫一扫
诺芯盛备案号:粤ICP备2022029173号-3 热销型号:20w无线充电模块 车载无线充电模块 鼠标无线充电模块 充电宝无线充二合一模块
